歡迎來到上海梓夢科技有限公司!
服務熱線:400-8810-898
產品分類
Cassification
更新時間:2025-11-17
瀏覽次數:47梓夢-ZMP930 吸入氣霧劑不溶性微粒精準檢測以羅替卡松為例
羅替卡松吸入氣霧劑作為治療哮喘、慢性阻塞性肺疾病的常用吸入制劑,其不溶性微粒含量直接關聯氣道用藥安全與治療效果。2025 版中國藥典 CP0903《不溶性微粒檢查法》針對吸入制劑(尤其是混懸型制劑)的檢測標準作出關鍵調整,上海梓夢科技自主研發的 ZMP930 全自動顯微計數法不溶性微粒儀,憑借對復雜制劑的精準檢測能力與合規性設計,為吸入氣霧劑微粒檢測提供專業的解決方案。
一、ZMP930 適配羅替卡松吸入氣霧劑檢測的技術優勢
羅替卡松吸入氣霧劑因 “混懸顆粒易沉降、配方易產生氣泡、黏度較高" 的特性,傳統檢測設備常面臨 “微粒漏檢、計數偏差、操作繁瑣" 等問題。ZMP930 通過針對性技術設計,精準解決此類痛點:
(一)復雜制劑兼容性:突破物理特性干擾
ZMP930 的檢測范圍覆蓋 1-3000μm,最小分辨達 0.1μm,可精準捕捉羅替卡松混懸顆粒及微量雜質(如容器脫落的碎屑、生產過程中的纖維)。其 X、Y、Z 軸自動掃描平臺能實現整張濾膜全-方位掃描,配合超景深 Z 軸自動對焦功能,即使制劑中存在氣泡干擾,也能確保每一個微粒成像清晰,避免因聚焦模糊導致的計數誤差。
(二)藥典合規性:全維度匹配新規要求
1. 微粒識別精準度:顯微計數法不溶性微粒儀ZMP930搭載智能 AI 算法,可自動區分白色顆粒、非白色顆粒,以及纖維、球形顆粒等不規則雜質 —— 這與羅替卡松吸入氣霧劑中可能存在的 “藥物結晶顆粒、金屬碎屑" 等微粒類型的識別需求高度契合,避免誤判或漏判。
2. 數據合規性保障:操作軟件符合 21CFR Part11 法規要求,具備審計追蹤、用戶分級權限設置功能,可完整記錄 “取樣量、掃描參數、分析結果、操作人員" 等全流程信息,滿足 2025 版藥典對數據完整性的嚴苛要求。
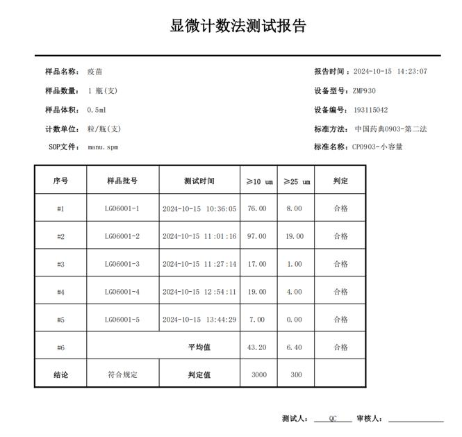
3. 報告輸出標準化:可自動生成符合 2025 版藥典 CP0903、USP788 等標準的中英文報告,直接呈現 “≥10μm、≥25μm 微粒計數" 等關鍵指標,無需人工二次整理,減少數據轉錄誤差。
(三)檢測效率與穩定性:降本增效的核心支撐
1. 測試效率高:ZMP930 集成 “自動過濾 - 烘干 - 掃描 - 數據分析" 全流程功能,測試時間僅需 2-8 分鐘,較傳統手動顯微計數法(耗時 1-2 小時)效率提升 10 倍以上。
2. 測試結果準確:儀器重復性誤差≤5%、精確度≤3%,可確保多批次羅替卡松吸入氣霧劑檢測結果的一致性,避免因人工操作差異導致的偏差。
3. 簡化檢測流程:儀器標配 25mm/13mm進口密理博濾膜、專用配套玻璃過濾裝置,無需額外采購耗材。
三、羅替卡松吸入氣霧劑的標準化檢測流程(基于 ZMP930)
依托 ZMP930 的一體化設計,羅替卡松吸入氣霧劑的檢測貼合 2025 版藥典操作規范,具體流程如下:
1. 樣品制備:取羅替卡松吸入氣霧劑,按藥典要求充分搖勻后抽取內容物,制備成 25ml 均勻混懸樣品,避免顆粒沉降影響檢測結果;
2. 自動過濾:將樣品注入儀器標配的 25mm 濾膜過濾裝置,通過抽濾泵實現完-全過濾,截留不溶性微粒;
3. 濾膜烘干:用無塵鑷子將過濾后的濾膜轉移至一次性培養皿,放入金屬浴中按設定溫度烘干,防止水分干擾微粒識別;
4. 智能掃描:將烘干后的濾膜置于 Z 軸自動對焦平臺,啟動 900 萬像素高清彩色相機進行全濾膜掃描,AI 算法同步捕捉并識別微粒;
5. 數據分析與報告:儀器自動統計≥10μm、≥25μm 等粒徑區間的微粒數量,生成包含 “粒徑分布、微粒類型、檢測時間" 的藥典格式報告,數據可直接用于 GMP 合規審核。